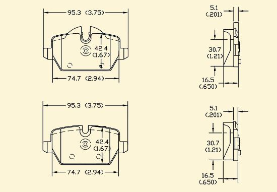
华晨宝马 320i 后刹车片 FMSI: D1226-8345
宽度1:95.3mm 高度1:51mm 厚度1:16.5mm 宽度2:95.3mm 高度2:44.7mm 厚度2:16.5mm
适合型号
-2005款/2005-2005/2.0L/发动机型号:N46B20CB/底盘号:E90
-2005款/2005-2006/2.0L/发动机型号:N46B20CB/底盘号:E90
-2006款/2005-2006/2.0L/发动机型号:N46B20CB/底盘号:E90
-2006款/2006-2007/2.0L/发动机型号:N46B20CB/底盘号:E90
-2007款/2007-2007/2.0L/发动机型号:N46B20CB/底盘号:E90